Преимущества дисковых затворов IDRA
В трубопроводных системах правильное регулирование и перекрытие потока жидкости являются ключевыми аспектами, обеспечивающими их безопасную и эффективную работу. Одним из наиболее распространенных типов запорной арматуры является дисковый поворотный затвор, который обеспечивает надежное перекрытие потока жидкости и обладает рядом преимуществ по сравнению с другими типами запорной арматуры.
Применение дисковых поворотных затворов IDRA
Затворы дискового типа широко используются в различных сферах промышленности и инфраструктуры. Они находят свое применение в ирригационных системах, водопроводных или распределительных магистралях, на насосных и водоочистных станциях, а также в различных резервуарах для накопления и хранения жидкостей. Дисковые поворотные затворы IDRA обладают высокой надежностью и долговечностью, что делает их предпочтительным выбором для различных промышленных и гражданских объектов.

Применение дисковых поворотных затворов IDRA
Дисковые поворотные затворы IDRA имеют ряд преимуществ, которые делают их привлекательным выбором для использования в трубопроводных системах. Например, они обладают высокой герметичностью, что позволяет предотвращать утечки и обеспечивать надежное перекрытие потока жидкости. Это особенно важно при работе с агрессивными средами или при необходимости поддержания определенного давления в системе.

Применение дисковых поворотных затворов IDRA
Кроме этого, дисковые затворы IDRA обладают низким гидродинамическим сопротивлением, что позволяет снизить потери давления и повысить эффективность работы трубопровода. Благодаря своей конструкции они обеспечивают плавное перекрытие потока жидкости, минимизируя гидравлические удары и турбулентность.
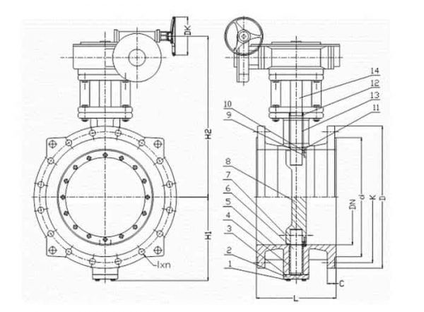
Особенности конструкции дисковых затворов IDRA
Дисковые затворы IDRA имеют компактную конструкцию, что облегчает их монтаж и обслуживание. Они состоят из фланцевых соединений, дисковых элементов и привода, который обеспечивает поворот и фиксацию дисков. Привод может быть ручным или автоматизированным, что позволяет легко управлять работой затвора.

Особенности конструкции дисковых затворов IDRA
Дисковые затворы IDRA доступны в различных размерах и материалах. Это дает возможность подобрать оптимальное решение для конкретных условий эксплуатации. Они могут быть изготовлены из нержавеющей стали, чугуна, бронзы и других материалов с различными характеристиками прочности и стойкости к воздействию внешней среды.

Преимущества использования дисковых затворов IDRA в трубопроводных системах
Установка и обслуживание дисковых затворов IDRA относительно просты. Перед установкой необходимо провести тщательную проверку и подготовку трубопровода. При монтаже необходимо обеспечить правильное выравнивание и герметичность соединений. Регулярное обслуживание затворов включает проверку работоспособности привода, состояния дисков и уплотнений, а также смазку и очистку элементов.
Оценить статью и поделиться ссылкой:
Источник

